

Practice E.2 Quantum physics (HL only) with authentic IB Physics exam questions for both SL and HL students. This question bank mirrors Paper 1A, 1B, 2 structure, covering key topics like mechanics, thermodynamics, and waves. Get instant solutions, detailed explanations, and build exam confidence with questions in the style of IB examiners.
In a photoelectric experiment, the stopping potential is measured as when the incident light frequency is .
Write the equation relating stopping potential , frequency , work function , and Planck’s constant .
Calculate the maximum kinetic energy of emitted photoelectrons.
Determine Planck’s constant given the work function . (1 eV = J)
Explain how the photoelectric effect demonstrates the quantized nature of light.
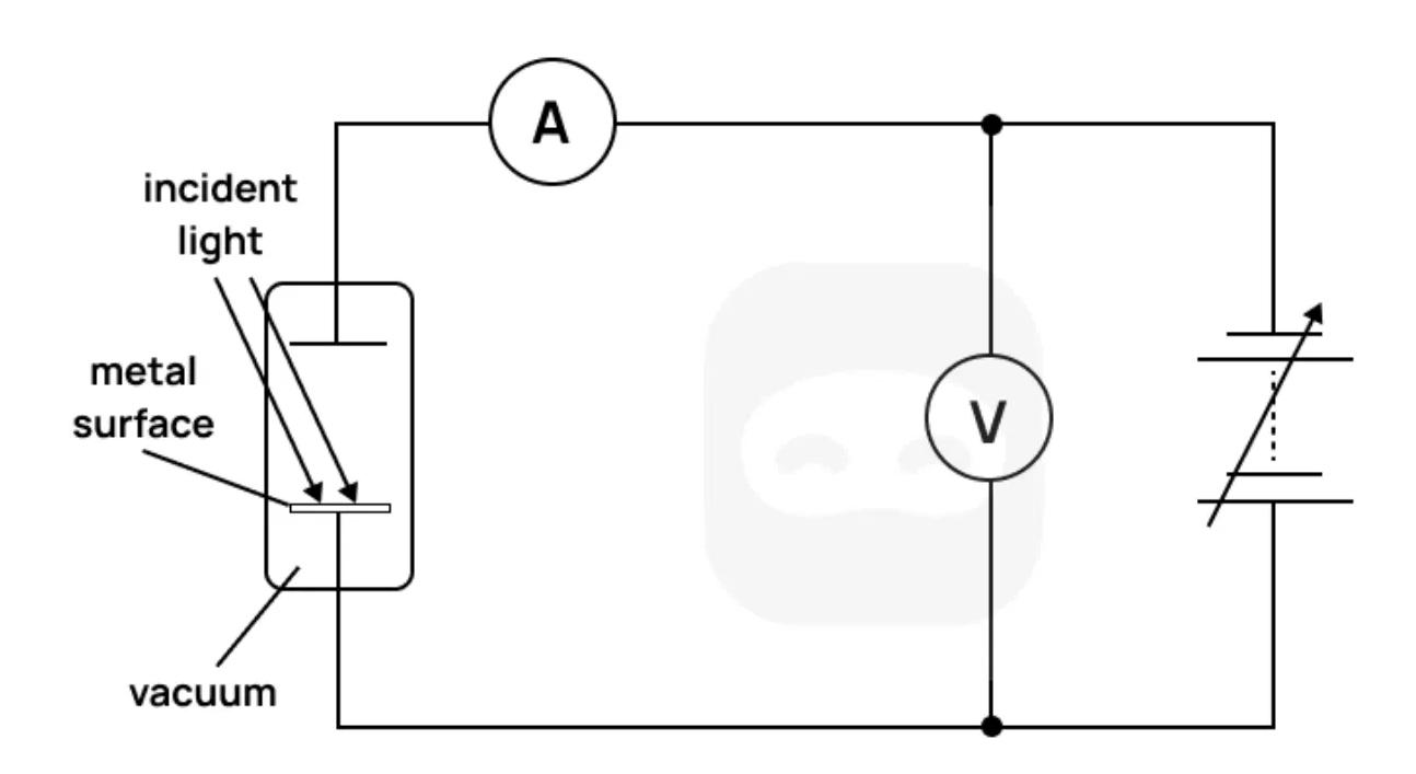
The diagram shows an experimental setup used to investigate the photoelectric effect. Light is incident on a metal surface in a vacuum. A variable potential difference is applied between the collector and emitter. The current and voltage are measured using an ammeter and voltmeter.

State one observation from the photoelectric experiment that cannot be explained by the wave theory of light.
Explain how this observation supports the photon model of light.
Describe how the stopping voltage is determined using the setup shown.
When light of frequency Hz is shone on a metal surface, electrons are emitted. The stopping potential is measured to be 0.85 V. Determine the work function of the metal in eV.
The intensity of the incident light is increased but its frequency remains the same. Discuss the effect of this change on the photoelectric current and the stopping potential.
Outline two assumptions of the photon model used to explain the photoelectric effect.
What is the unit of Planck's constant?
An electron beam is accelerated through a potential difference of . It is directed onto a crystal, producing a diffraction pattern with a first minimum at an angle of .
Calculate the de Broglie wavelength of the electrons. (Use , , .)
Using Bragg’s law with , calculate the lattice spacing of the crystal.
Explain how the electron diffraction experiment provides evidence for the wave nature of matter.
Which experiment demonstrated that light behaves as particles?
Light of wavelength is incident on a metal surface with work function . What is the maximum kinetic energy of the emitted photoelectrons?
In a Compton scattering experiment, incident photons of wavelength scatter from electrons at an angle of .
Calculate the Compton wavelength shift for the scattered photons. (Use , , .)
Determine the wavelength of the scattered photons.
Calculate the energy of the scattered photons in electronvolts (eV).
Explain the significance of the Compton effect for the development of quantum physics.
In an experiment, light of increasing intensity but fixed frequency below the threshold frequency is shone on a metal surface. What is observed?
The photoelectric equation is . What does represent?
A metal surface has a work function of . Light of frequency shines on the surface.
State the threshold frequency for photoelectron emission and how it relates to the work function.
Calculate the energy of the incident photons. Use where .
Determine the maximum kinetic energy of the emitted photoelectrons.
Explain why increasing the intensity of the light does not increase the maximum kinetic energy of photoelectrons.