Practice B.5 Current and circuits with authentic IB Physics exam questions for both SL and HL students. This question bank mirrors Paper 1A, 1B, 2 structure, covering key topics like mechanics, thermodynamics, and waves. Get instant solutions, detailed explanations, and build exam confidence with questions in the style of IB examiners.
Which statement is true about the resistance of a filament lamp as it operates at higher voltage?
In an experiment, a metal wire obeys Ohm's law at room temperature. As current increases, its resistance increases due to temperature rise. Which of the following best describes the shape of its - graph?
A student compares the thermal conductivity of two rods made from different materials: copper (Rod A) and steel (Rod B). Each rod has the same length, diameter, and is heated at one end with an identical electric heater. The student places thermocouples at two fixed positions on each rod and measures the temperature at those points after 300 seconds. The results are shown in the table below.
| Rod | ||||
|---|---|---|---|---|
| A (Copper) | 2.0 | 85.0 | 8.0 | 75.0 |
| B (Steel) | 2.0 | 75.0 | 8.0 | 35.0 |
Explain how the temperature gradient in each rod is related to its thermal conductivity.
Use the data to calculate the temperature gradient in each rod.
Assuming the rods received the same energy input and have equal cross-sectional areas, what does the difference in gradient suggest about the relative thermal conductivities of the metals?
Suggest two improvements to this experiment that would improve the reliability of the comparison.
Identify one assumption made in this experiment and explain how it may affect the result.
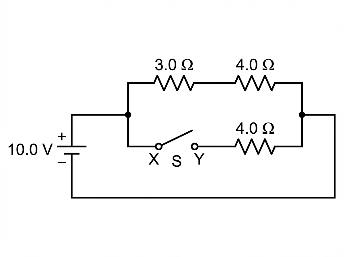
The circuit shows a battery of emf connected to a combination of resistors. The switch between points X and Y can be opened or closed.

The switch is open.
Outline which resistors are in the circuit.
Calculate the total resistance of the circuit.
Determine the total current supplied by the battery when the switch is open.
For Parts 4-5, the switch is now closed.
Explain how the total resistance of the circuit changes.
Explain how the current changes.
For a real cell in a circuit, the terminal potential difference is at its closest to the emf when
Power is dissipated in a resistor of resistance when there is a direct current in the resistor.
What is the average power dissipation in a resistance when the alternating root-mean-square (rms) current in the resistor is ?
Why are high voltages and low currents used when electricity is transmitted over long distances?
Two wires of the same material and length , and , have radii and respectively. When combined end-to-end, the resultant wire has a resistance of . When melted down and combined into a single wire of length , the resultant wire has a resistance of . What is ?
What is the resistance of a component if a current of flows through it when a potential difference of is applied?
A battery of negligible internal resistance is connected to a lamp. A second identical lamp is added in series. What is the change in potential difference across the first lamp and what is the change in the output power of the battery?
| Change in potential difference | Output power of battery |
|---|---|
| decreases | decreases |
| decreases | increases |
| no change | decreases |
| increases | decreases |